PRODUCTS SEARCH

PDJ

نظام مضخة إطفاء الحرائق بالرشاشات التي تعمل بمحرك ديزل

يوفر نظام مضخة إطفاء الحرائق الديزل Purity PDJ أداءً قويًا في إمداد المياه، وأمانًا عاليًا، ومرونة في التحكم. وهو خيار ممتاز لإمدادات المياه الطارئة في بيئات انقطاع التيار الكهربائي.
3D PRODUCT CHAT NOW

مقدمة المنتج
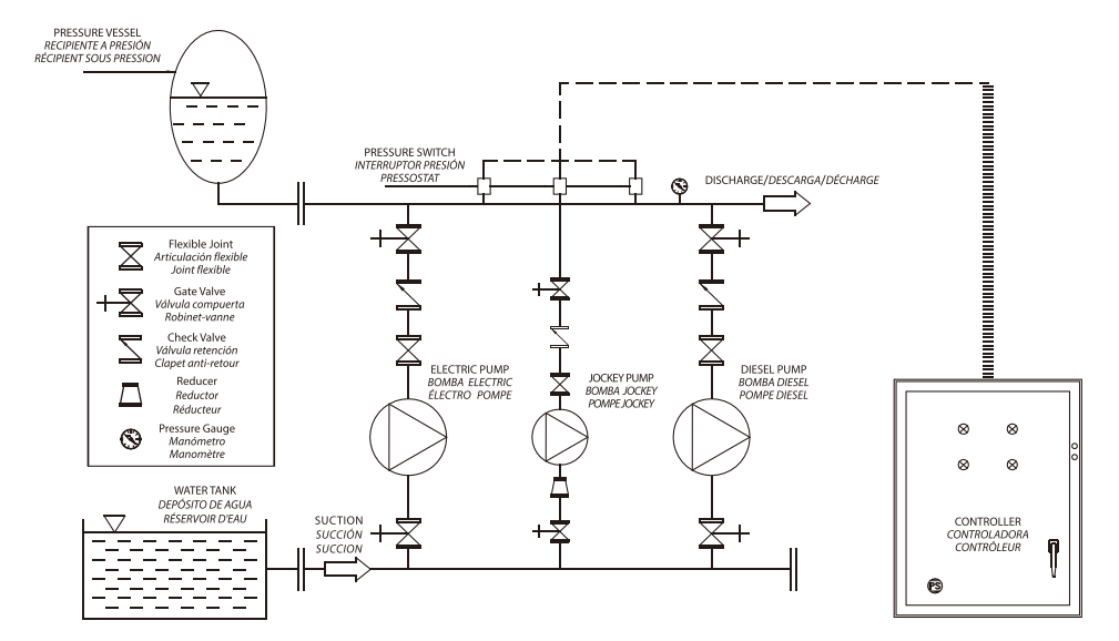
يتكون نظام مضخات إطفاء الحرائق الديزل Purity PDJ من مضخة طرد مركزي تعمل بمحرك ديزل، ومضخة جوكي عالية الضغط، ووحدة تحكم بالمضخة، ونظام أنابيب متكامل. كل وحدة تحكم مزودة بخط استشعار ضغط مستقل، مما يضمن تشغيلًا مستقرًا لمضخة إطفاء الحرائق بالرش وإدارة دقيقة للضغط أثناء حالات الطوارئ.

تتيح مضخات إطفاء الحرائق الديزل Purity PDJ للمستخدمين ضبط معايير التحكم المختلفة في المحرك، بما في ذلك وقت التأخير، ووقت التسخين المسبق، ووقت إيقاف التشغيل، ووقت التشغيل السريع، ووقت التبريد. يضمن هذا التكوين المرن الأداء الأمثل للمحرك، وبدء التشغيل السلس، والتشغيل الفعال في مختلف ظروف العمل، مما يلبي المتطلبات الصارمة لأنظمة الحماية من الحرائق.

لتحسين السلامة التشغيلية، زُوّدت مضخات إطفاء الحرائق الديزل PDJ بوظائف إنذار متعددة وإيقاف تلقائي. يمكنها اكتشاف مختلف حالات الأعطال والاستجابة لها، مثل فقدان إشارة السرعة، والسرعة الزائدة، والسرعة المنخفضة، وانخفاض أو ارتفاع ضغط الزيت، وارتفاع درجة حرارة الزيت، وفشل بدء التشغيل، ومشاكل دائرة المستشعر (الدائرة المفتوحة أو القصيرة في مستشعرات ضغط الزيت أو درجة حرارة الماء). تُحسّن ميزات الحماية الشاملة هذه بشكل كبير من موثوقية وسلامة نظام مضخات مكافحة الحرائق أثناء عمليات مكافحة الحرائق الحرجة.

بفضل تصميمه المتين ونظامه لحماية الأعطال، يوفر نظام مضخات مكافحة الحرائق الديزل Purity PDJ أداءً قويًا وموثوقًا في الحماية من الحرائق، مما يجعله مثاليًا للمباني الشاهقة والمجمعات الصناعية والمرافق النائية التي تتطلب إمدادات مياه طوارئ مستقلة.

أقامت Purity علاقات شراكة طويلة الأمد مع موزعين في العديد من الدول لمضخات إطفاء الحرائق المعروضة للبيع. نرحب باستفساراتكم!

وصف النموذج

تعليمات التثبيت

معلمات المنتج

مقدمة المنتج
يتكون نظام مضخات إطفاء الحرائق الديزل Purity PDJ من مضخة طرد مركزي تعمل بمحرك ديزل، ومضخة جوكي عالية الضغط، ووحدة تحكم بالمضخة، ونظام أنابيب متكامل. كل وحدة تحكم مزودة بخط استشعار ضغط مستقل، مما يضمن تشغيلًا مستقرًا لمضخة إطفاء الحرائق بالرش وإدارة دقيقة للضغط أثناء حالات الطوارئ.

تتيح مضخات إطفاء الحرائق الديزل Purity PDJ للمستخدمين ضبط معايير التحكم المختلفة في المحرك، بما في ذلك وقت التأخير، ووقت التسخين المسبق، ووقت إيقاف التشغيل، ووقت التشغيل السريع، ووقت التبريد. يضمن هذا التكوين المرن الأداء الأمثل للمحرك، وبدء التشغيل السلس، والتشغيل الفعال في مختلف ظروف العمل، مما يلبي المتطلبات الصارمة لأنظمة الحماية من الحرائق.

لتحسين السلامة التشغيلية، زُوّدت مضخات إطفاء الحرائق الديزل PDJ بوظائف إنذار متعددة وإيقاف تلقائي. يمكنها اكتشاف مختلف حالات الأعطال والاستجابة لها، مثل فقدان إشارة السرعة، والسرعة الزائدة، والسرعة المنخفضة، وانخفاض أو ارتفاع ضغط الزيت، وارتفاع درجة حرارة الزيت، وفشل بدء التشغيل، ومشاكل دائرة المستشعر (الدائرة المفتوحة أو القصيرة في مستشعرات ضغط الزيت أو درجة حرارة الماء). تُحسّن ميزات الحماية الشاملة هذه بشكل كبير من موثوقية وسلامة نظام مضخات مكافحة الحرائق أثناء عمليات مكافحة الحرائق الحرجة.

بفضل تصميمه المتين ونظامه لحماية الأعطال، يوفر نظام مضخات مكافحة الحرائق الديزل Purity PDJ أداءً قويًا وموثوقًا في الحماية من الحرائق، مما يجعله مثاليًا للمباني الشاهقة والمجمعات الصناعية والمرافق النائية التي تتطلب إمدادات مياه طوارئ مستقلة.

أقامت Purity علاقات شراكة طويلة الأمد مع موزعين في العديد من الدول لمضخات إطفاء الحرائق المعروضة للبيع. نرحب باستفساراتكم!

وصف النموذج

تعليمات التثبيت

معلمات المنتج


اترك رسالة
سياسة الخصوصية